Frameless Motor SY43HSV Series
PRODUCT ADVANTAGES
The SY43HSV Series is a prime example of advanced frameless motor technology. This model operates on a 48VDC, 3-phase system with 14 poles, offering a rated speed of 5000 RPM and torque of 0.15 N.m. It can reach peak performance at 7300 RPM with 0.45 N.m of torque. Suited for a wide range of temperatures from -20°C to +50°C, it provides versatility in various environments. The frameless design, which lacks external components like motor housings, allows for direct assembly of the stator and rotor at the application site. This approach not only enhances the high integration and structural compatibility of the target product but also significantly contributes to its compact and adaptable nature. The SY43HSV Series is highly regarded for its excellent personalization and customization capabilities, making it an ideal choice for applications that require tailored motor solutions. Its design ensures a seamless fit into existing systems, offering a reliable and efficient performance that meets specific operational needs. This series exemplifies the future of motor technology, where adaptability and integration are key to success.
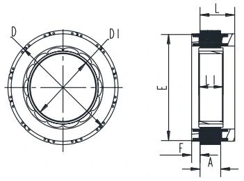
SY43HSV Series Parameters
| Items | FL43HSV08 | Tolerance |
| Outer Diameter D | 43mm | +0/-0.05 |
| Stator Length L | 13.5mm | ±1 |
| Rotor Inner D1 | 25.5mm | +0.03 |
| Rotor Length L1 | 9.5mm | ±0.2 |
| Epoxy Outer Circle E | 40.5mm | / |
| Epoxy Height F | 3.5mm | MAX |
| Stator Core Height A | 8.0mm | / |
SY43HSV Series General Specifications
| Winding Type | Star connection |
| Dielectric Strength | 600VAC/1S, 2mA |
| Insulation Resistance | 100MΩ, 500VDC |
| Ambient Temperature | -20°C ~ +50°C |
| Insulation Class | Class B |
SY43SHV Series Electric Connection
| Color of the lead-out wire | Model of the lead-out wire | Functions |
| White (WHT) | UL1332 AWG26 | NTC |
| White (WHT) | NTC | |
| Yellow | UL1332 AWG24 | Phase U |
| Red | Phase V | |
| Black | Phase W |
SY43SHV Series Electrical Specifications
| Item | Unit | FL43HSV08-48V-5078-T |
| Number of poles | 14 | |
| Number of phases | 3 | |
| Rated voltage | VDC | 48 |
| Rated torque | N.m | 0.15 |
| Rated current | A | 2.0 |
| Rated speed | RPM | 5000 |
| Rated power | W | 78.5 |
| Maximum speed | RPM | 7300 |
| Peak torque | N.m | 0.45 |
| Peak current | A | 6.0 |
| Line to line resistance | ohms@20°C | 2.8 |
| Line to line inductance | mH | 1.8 |
| Torque constant | Nm/A | 0.077 |
| Back EMF | Vrms/KRPM | 4.65 |
| Weight | g | 70 |
| Electrical time constant | ms | 0.64 |


