Frameless Motor SY50HSV Series
PRODUCT ADVANTAGES
The SY50HSV Series is a frameless motor known for its high integration and structural compatibility, ideal for applications requiring direct assembly at the site. These motors feature a star connection winding type with a dielectric strength of 1000VAC/1S, 2mA, and an insulation resistance of 100MΩ, 500VDC. They operate within an ambient temperature range of -20°C to +50°C and have Class B insulation. The series includes models with 20 poles and 3 phases, offering rated voltages of 48VDC, various speeds, and torques. Different wire colors correspond to specific functions, such as NTC thermistors and phase connections. The SY50HSV Series is widely praised for its excellent personalization and customization, making it a versatile choice for various applications.
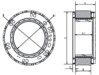
SY50HSV Series Parameters
| Items | FL50HSV08 | FL50HSV15 | Tolerance |
| Outer Diameter D | 50mm | 50mm | ±0.031(js9) |
| Stator Length L | 12.9mm | 19.1mm | ±1 |
| Rotor Inner Diameter D1 | 30mm | 30mm | (+0.033/0)-H8 |
| Rotor Length L1 | 10mm | 17mm | ±0.2 |
| Injection Surface Outer Diameter E | 47.6mm | 47.6mm | ±0.2 |
| Injection Surface Height F | 2.5mm | 2.5mm | ±0.5 |
| Stator Core Height A | 8.6mm | 15mm | / |
SY50HSV Series General Specifications
| Winding Type | Star connection |
| Dielectric Strength | 1000VAC/1S, 2mA |
| Insulation Resistance | 100MΩ, 500VDC |
| Ambient Temperature | -20°C ~ +50°C |
| Insulation Class | Class B |
SY50SHV Series Electric Connection
| Color of the lead-out wire | Model of the lead-out wire | Functions |
| White (WHT) | UL1332 AWG26 | NTC |
| White (WHT) | NTC | |
| Yellow | UL1332 AWG22 AGW20 | Phase U |
| Red | Phase V | |
| Black | Phase W |
SY50SHV Series Electrical Specifications
| Item | Unit | FL50HSV08-48V-50170-T-01 | FL50HSV15-48V-35183-T |
| Number of poles | 20 | 20 | |
| Number of phases | 3 | 3 | |
| Rated voltage | VDC | 48 | 48 |
| Rated torque | N.m | 0.3 | 0.5 |
| Rated current | A | 3.6 | 4.8 |
| Rated speed | RPM | 5000 | 3500 |
| Rated power | W | 157 | 183 |
| Maximum speed | RPM | 6200 | 4800 |
| Peak torque | N.m | 0.96 | 1.5 |
| Peak current | A | 11.6 | 14.5 |
| Line to line resistance | ohms@20°C | 0.93 | 0.70 |
| Line to line inductance | mH | 0.457 | 0.38 |
| Torque constant | Nm/A | 0.089 | 0.117 |
| Back EMF | Vrms/KRPM | 5.4 | 7.1 |
| Weight | g | 105 | 128 |
| Electrical time constant | ms | 0.49 | 0.54 |


